- Дисконт
- Станки для гибки
- Станки с ЧПУ
- Металлорежущие станки
- Станки для резки металла
- Ленточнопильные станки
- Отрезные станки
- Профилирующие станки
- Компрессоры
- Штабелеры
- Деревообработка
- Сделано в Турции
- Кровельные станки
- Станки для воздуховодов
- Спец. оборудование
- Готовые решения
- Заточные станки
- Инструмент и оснастка
- Аксессуары
- Планшайбы
- Пильные полотна
- Рольганги
- Токарные центры
- Вращающиеся центры прецизионные для легкой нагрузки
- Вращающиеся центры прецизионные для средней нагрузки
- Вращающиеся центры прецизионные для тяжелой нагрузки
- Вращающиеся центры прецизионные тв.сплав для средней нагрузки
- Вращающиеся центры прецизионные удлиненные для средней нагрузки
- Набор вращающихся центров со сменными вставками (7 шт.)
- Полуцентры токарные упорные
- Центры токарные упорные
- Центры токарные упорные с тв.сплавным наконечником
- Резцы токарные
- Делительные головки
- Поворотные столы
- Быстросменные резцедержатели
- Токарные патроны
- Тиски
- Патроны фрезерные
- Прижимы и прихваты
- Диски пильные
- Патрон сверлильный
- Сверла
- Борфрезы
- Метчики и плашки
- Фрезы концевые HSS
- СЕЗОН ОТКРЫТ — ЦЕНЫ СНИЖЕНЫ!
Пресс гибочный гидравлический METAL MASTER PressMaster 25110 PRO 4+1 Акция
| Модель | PressMaster 25110 PRO 4+1 |
|---|---|
| Усилие, тонн | 110 |
| Длина рабочего стола, мм | 2500 |
| Расстояние между колоннами, мм | 2050 |
| Глубина зева, мм | 410 |
| Ход пуансона, мм | 275 |
| Расстояние между столом и траверсой, мм | 530 |
| Скорость рабочая/прямого/обратного хода, мм/с | 9,5 / 200 / 155 |
| Ход по оси X (задний стол), мм | 600 |
| Ход по оси R, мм | 200 |
| Точность хода по оси Х, мм | ±0,02 |
| Количество пальцев заднего упора, шт | 2 |
| Мощность двигателя, кВт | 7,5 |
| Уровень шума, дБ | ≤88 |
| Объем масляного бака, л | 300 |
| Система управления | ESA S630 |
| Габаритные размеры станка (Д×Ш×В), мм | 3100×1450×2500 |
| Габаритные размеры упаковки (Д×Ш×В), мм | 2700×1450×2500 |
| Масса станка (нетто/брутто), кг | 5695 / 5700 |
Описание станка Пресс гибочный гидравлический METAL MASTER PressMaster 25110 PRO 4+1
Листогибочные прессы серии PressMaster PRO 4+1 оснащены мощными синхронизированными цилиндрами. Эта схема применяется многими мировыми производителями листогибочных прессов уже несколько десятков лет и является надежным средством для обеспечения точности работы станка.
Жесткость пресса обеспечивается прочной рамой, прошедшей термическую обработку для снятия напряжений.
Мощные гидроцилиндры, моторизированная система бомбирования и надёжная гидравлическая система с компонентами, поставляемыми ведущими мировыми производителями, позволяют производить операции гибки с высокой скоростью и точностью.
Станок оснащен итальянским ЧПУ ESA S630. Управление по оси Y осуществляется ЧПУ с помощью синхронизированных гидроцилиндров. Это обеспечивает высокую точность и стабильность результата. Управление по оси X также осуществляется ЧПУ, за что отвечают сервоприводы и высокоточное ШВП с линейными направляющими.
| СТАНДАРТНАЯ КОМПЛЕКТАЦИЯ ГИБОЧНОГО ПРЕССА | |
|---|---|
| ЧПУ четырехосевое | ESA S630 с сенсорным экраном |
| Приводы по осям | Сервопривод |
| Система компенсации прогиба (бомбирование) | Моторизированная |
| Электроавтоматика | Schneider Electric |
| Двигатель | Siemens |
| Масляный насос | Шестеренный |
| Инструмент | Матрица 4-сторонняя/пуансон AMADA Promecam |
| Оснащение заднего упора (пальцы) | 2 штуки |
| Пульт управления | На поворотном кронштейне |
| Педаль управления | Выносная, с кнопкой аварийной остановки |
|
|
Верхний и нижний инструмент
| |
Пуансон | Матрица |
Панель управления Справа от траверсы на поворотном кронштейне расположена панель управления. На панели управления расположено ЧПУ ESA S630 с сенсорным экраном, на котором отображаются заданные и текущие положения рабочих органов по осям.
| Система ЧПУ ESA S630 с сенсорным экраном имеет:
|
| |
Моторизированное бомбирование – позволяет корректировать форму стола для получения оптимального результата при гибке изделия с большим усилием и/или большой длины. | |
|
|
Высокоточные оптические линейки от итальянского бренда GIVI обеспечивают точную синхронизацию осей Y1 и Y2. | Быстросъёмный инструмент
Быстросъемный инструмент в разы ускоряет процесс смены инструмента. |
|
|
Электро-шкаф служит для безопасного размещения электрокомпонентов станка. В листогибочных прессах серии PressMaster PRO 4+1 используются электрокомпоненты компании Schneider Electric. | На самом шкафу расположены индикатор включения, аварийные индикаторы, которые предупреждают об ошибке в работе гидравлической станции, тумблер включения и выключения подсветки, и общий рубильник вкл/выкл подачи электропитания. |
|
|
Станок оснащен мощным и надежным двигателем от европейского бренда Siemens мощностью 7,5 кВт. | Гидравлическая система от немецкого бренда Rexroth расположена на верхней части станка. Также на прессах серии PressMaster PRO 4+1 установлен гидравлический насос бренда SUNNY, который обеспечивает надежную работу гидравлической системы за счет высоких эксплуатационных показателей. |
|
|
Пресс PressMaster 25110 PRO 4+1 оснащен передней поддержкой листа, перемещение которой по горизонтали осуществляется по линейным направляющим. | |
|
|
Перемещение портала осуществляется по линейным направляющим с помощью ШВП. | |
|
|
Высокоточные задние упоры, работающие от серводвигателей и синхронизированные контроллером с ЧПУ, позволяют сократить время настройки и воспроизведения сохраненных программ гибки за счет высокой скорости и точности работы. Задние упоры поддерживают работу по осям X и R.
| Важной отличительной особенностью листогибочного пресса PressMaster 25110 PRO 4+1 являются увеличенные значения глубины зева и хода траверсы, позволяющие пользователю изготавливать максимально сложные детали. |
|
|
Пресс оснащен защитными боковыми ограждениями, а с тыльной стороны станка располагается световой барьер для защиты от несанкционированного доступа людей в рабочую зону. | |
| |
С помощью эргономичной переносной педали осуществляется опускание и поднятие траверсы. В верхней части педали расположена кнопка аварийной остановки. | |
Стандартная комплектация:
- Четырехосевая система ЧПУ ESA S630;
- Инструмент: Матрица 4-сторонняя/пуансон;
- Бомбирование моторизированное;
- Боковое защитное ограждения;
- Заднее световое защитное ограждение;
- Электроавтоматика от европейского бренда Schneider Electric;
- Зубчатый масляный насос;
- Быстросъёмный инструмент;
- Главный двигатель бренда Siemens.
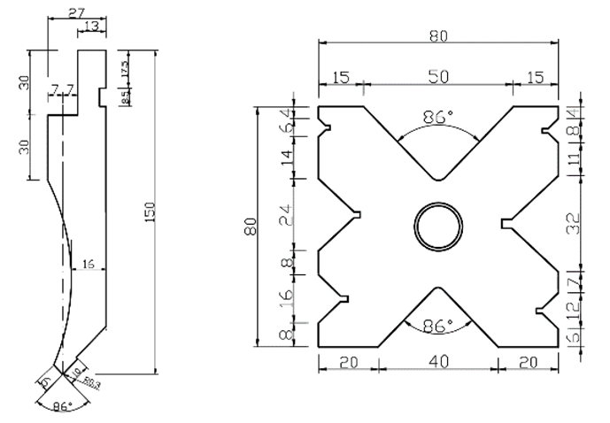
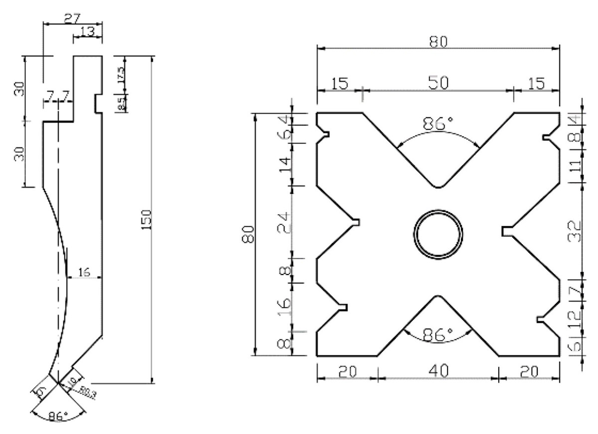
Профили, получаемые при использовании листогибочного пресса:

ОСОБЕННОСТИ ГИДРАВЛИЧЕСКОГО ВЕРТИКАЛЬНОГО ГИБОЧНОГО ПРЕССА METAL MASTER PressMaster 25110 PRO 4+1:
- Оптимальное сочетание цены и качества
Недорогой и надежный станок для выполнения широкого круга работ с высокой повторяемостью изделий. - Моторизированное бомбирование
Система моторизированной корректировки формы стола включена в стандартную комплектацию. - Широкий спектр функциональных характеристик
Большой выбор размеров и функций позволяет выполнить практически любые требования производства. - Высокая производительность
Мощные гидроцилиндры и надежная гидравлическая система позволяют производить операции гибки с высокой скоростью. - Надежность и износостойкость конструкции
Конструкция пресса сделана из стальных плит, прошедших термическую обработку для снятия напряжения. - Точность и простота настройки на работу с необходимой толщиной листа
Манометр и регулятор усилия пресса позволяет точно настраивать пресс на работу с необходимой толщиной листа. - Простота в использовании
На фронтальной части расположены кронштейны поддержки листа облегчающие точное расположение листа на матрице.
Большой просвет между плитами и большая рабочая поверхность обеспечивает оптимальное выполнение работы по всей рабочей длине. - Безопасность
Наличие бокового и заднего светового защитного ограждения обеспечивает защиту от несанкционированного доступа людей в опасную зону.
Товар из разделов
Спасибо! Ваша заявка отправлена.
-
Вова 11.06.2025 в 17:46Подскажите, габаритные размеры упаковки?Александр КуликовТехнический директор
ООО «МеталМастер» Технический директор ООО «МеталМастер»Добрый день! Габаритные размеры упаковки составляют 2700×1450×2500 мм. -
Анна 24.05.2025 в 16:45Бомбирование есть на данном прессе?Александр КуликовТехнический директор
ООО «МеталМастер» Технический директор ООО «МеталМастер»Здравствуйте! Да, моторизированная система бомбирования входит в стандартную комплектацию.
-
Metal Master PressMaster 2590 PRO 4+1
- Длина сгибаемой детали, мм: 2500
- Усилие, тонн: 90
В наличииЦена: 2 394 700 ₽ -
Metal Master PressMaster 2580 Servo
- Длина сгибаемой детали, мм: 2500
- Усилие, тонн: 80
В наличииЦена: 1 274 966 ₽ 1 499 960

















































