- Дисконт
- Станки для гибки
- Станки с ЧПУ
- Металлорежущие станки
- Станки для резки металла
- Ленточнопильные станки
- Отрезные станки
- Профилирующие станки
- Компрессоры
- Штабелеры
- Деревообработка
- Сделано в Турции
- Кровельные станки
- Станки для воздуховодов
- Спец. оборудование
- Готовые решения
- Заточные станки
- Инструмент и оснастка
| Модель | XNC 3675 SM6 |
|---|---|
| Расстояние между центрами, мм | 750 |
| Макс. диаметр обработки над станиной, мм | 360 |
| Макс. диаметр обработки над поперечными салазками, мм | 200 |
| Ширина станины, мм | 360 |
| Диапазоны скоростей шпинделя, об/мин | 10 – 2000 |
| Диаметр сквозного отверстия шпинделя, мм | 52 |
| Торец шпинделя | А2-6 |
| Конус шпинделя | МТ-6 |
| Тип патрона | Ручной |
| Диаметр патрона, мм | 200 |
| Диаметр отверстия 3-х кулачкового патрона, мм | 50 |
| Перемещение по оси Х, мм | 210 |
| Перемещение по оси Z, мм | 750 |
| Ускоренные подачи X/Z, м/мин | 6/8 |
| Резцедержатель | Электрический револьверный |
| Количество инструментов | 6 |
| Размер держателя инструмента, мм | 20×20 |
| Размер инструментального блока с квадратным сечением, мм | 20×20 (1 шт.) |
| Размер инструментального блока с круглым сечением, мм | Ø22 (2 шт.) |
| Задняя бабка | Ручная |
| Ход пиноли задней бабки, мм | 100 |
| Конус пиноли задней бабки | МТ4 |
| Мощность главного двигателя, кВт | 5,5 |
| Тип двигателя | Частотный |
| Размер винта X/Z | 20/40 |
| Класс точности X/Z | P3/P4 |
| Точность позиционирования по осям X/Z, мм | 0,015/0,015 |
| Повторяемость по осям X/Z, мм | 0,01/0,01 |
| Мощность двигателя СОЖ, кВт | 0,12 |
| Система ЧПУ | Siemens 808 |
| Габаритные размеры станка (Д×Ш×В), мм | 2270×1610×1800 |
| Габаритные размеры станка в упаковке (Д×Ш×В), мм | 2400×1700×2000 |
| Масса нетто/брутто, кг | 1260 / 1450 |
Описание станка Станок токарный с ЧПУ METAL MASTER XNC 3675 SM6
Metal Master XNC 3675 SM6 – это промышленный горизонтальный токарный станок с ЧПУ, предназначенный для производства изделий со сложной конфигурацией, резки заготовок необходимой длины, расточки отверстий, черновой и чистовой обработки отверстий, и нарезания резьб. Благодаря программному управлению станки серий XNC требуют минимального вмешательства оператора вследствие чего сокращается трудоемкость производства и повышается качество изготавливаемых деталей.
Особенности:
- Массивная литая станина из серого чугуна;
- Массивная чугунная тумба;
- Защита кабинетного типа от брызг и стружки;
- Система ЧПУ Siemens 808;
- Простота в программировании;
- Серводвигатели Siemens;
- 6-ти позиционная револьверная головка для инструмента;
- ШВП по осям X/Z класса точности P3/P4;
- Закаленные направляющие ТВЧ;
- Автоматическая централизованная система смазки;
- Диаметр обработки над станиной – 360 мм;
- Расстояние между центрами – 750 мм;
- Надежный частотный двигатель.

Токарный станок оснащен системой ЧПУ SINUMERIK 808, предназначенной для работы на токарных станках. Компактная, надежная и удобная в обслуживании моноблочная система ЧПУ со специальным системным ПО для токарной технологии является оптимальным выбором для станков данного класса.

Блок управления ЧПУ имеет в своем составе пульт, отвечающий за ручное перемещение суппорта.

Мощная литая чугунная станина гасит вибрации, а также придает конструкции жесткость и стабильность при работе. Станина проходит термическую обработку для снятия напряжений, а внутренние части станины усилены ребрами жесткости.

Направляющие станины прошли закалку током высокой частоты. Ширина станины составляет 360 мм.

На станке установлен 3-х кулачковый патрон диаметром 200 мм.

Задняя бабка станка оснащена быстрозажимным эксцентриковым механизмом. Перемещение задней бабки осуществляется вручную.

Суппорт оснащен 6-позиционной револьверной головкой. Револьверная головка оснащена инструментальными блоками для установки инструмента с хвостовиком квадратного сечения размером 20×20 мм и для инструмента с хвостовиком круглого сечения диаметром 22 мм.

Для уменьшения трения между деталями и защиты инструментов от коррозии и перегрева в зону резания подается СОЖ.

Суппорт перемещается при помощи ШВП в поперечном и продольном направлении. Прецизионные шлифованные ШВП обеспечивают высокую точность и повторяемость позиционирования инструмента, а также плавное перемещение инструментального блока и его длительный срок службы.

Автоматическая система смазки обеспечивает бесперебойную и своевременную смазку всех подвижных частей станка.

Станок оборудован светодиодной лампой местного освещения.

Станция автоматической подачи СОЖ включает в себя двигатель мощностью 0,12 кВт и резервуар, которые располагаются под станком.


С тыльной стороны станка расположен электрошкаф. Сервоприводы бренда Siemens, качественные электрокомпоненты, а также частотный преобразователь обеспечивают надежную и бесперебойную работу оборудования. Дверца электрошкафа оснащена концевым выключателем.

На корпусе электрошкафа имеются вентиляционные окошки, а также общий рубильник включения и выключения станка.

Станок оснащен частотным и надежным двигателем мощностью 5,5 кВт. Вращение на шпиндель передается через клиновые ремни.

За перемещение суппорта по осям X/Z отвечают сервоприводы бренда Siemens.

В ЗИП входит рожковый ключ, набор шестигранников, отвертки, ключ для снятия гидравлического патрона, опоры, инструментальный ящик, инструкция ЧПУ и инструкция по эксплуатации.


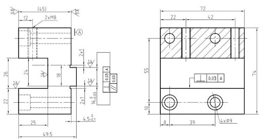
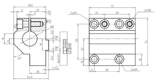
Посадочные размеры для инструментального блока с квадратным и круглым сечением.
В стандартную комплектацию станка входят:
- ЧПУ Siemens 808;
- 3-х кулачковый патрон 200 мм;
- Задняя бабка, перемещаемая вручную;
- 6-х позиционный электрический револьверный держатель инструмента;
- Автоматическая смазка и подача СОЖ;
- Освещение рабочей зоны;
- Руководство по эксплуатации.
Товар из разделов
Спасибо! Ваша заявка отправлена.
-
Аркадий 26.07.2025 в 10:14Чем ваш Siemens 808 лучше GSK в других моделях? Стоит ли переплачивать?Александр КуликовТехнический директор
ООО «МеталМастер» Технический директор ООО «МеталМастер»Приветствую! Siemens 808: Надежнее – средний срок службы 10+ лет, проще программировать сложные контуры. Для простых деталей GSK хватает, но для ответственных заказов лучше Siemens. -
Леонид 12.08.2025 в 15:18У вас в характеристиках написано "максимальный диаметр обработки 360 мм" – это если деталь круглая? А если квадратная заготовка?Александр КуликовТехнический директор
ООО «МеталМастер» Технический директор ООО «МеталМастер»Добрый день! Для квадратных заготовок максимальный размер по диагонали – 360 мм. То есть квадрат со стороной до 254 мм обработать можно.
-
Metal Master XNC 50100 GM8
Metal Master XNC 50100 GM8 – это...
- Диаметр обработки над станиной, мм: 500
- Расстояние между центрами, мм: 1000
- Межцентровое расстояние: 1000
- Частота вращения шпинделя, об/мин: 1600
В наличииЦена: 1 190 112 ₽ 1 487 640 -
Metal Master XNC 50100 FM8
Metal Master XNC 50100 FM8 – это...
- Диаметр обработки над станиной, мм: 500
- Расстояние между центрами, мм: 1000
- Межцентровое расстояние: 1000
- Частота вращения шпинделя, об/мин: 1800
В наличииЦена: 1 911 941 ₽ 2 389 926













































